
96.01=Chinese 中文选择(修改中文过程可见页面底部视频)
主钩参数的设置步骤:
若调试未接制动电阻会报制动斩波器短路故障,可将43.06改成禁用,然后从96.08改成1,重启变频器后故障消失。
电机辨识(辨识过程可见页面底部视频)
先将44.202转矩验证改成Disable
99.03=电机类型
99.04=DTC
99.06=电机额定电流
99.07=电机额定电压
99.08=电机额定频率
99.09=电机额定转速
99.10=电机额定功率
99.13=标准辨识
之后将变频器切回本地模式(按LOC/REM键,左上角显示本地),按启动键(必须把电机和减速机之间的联轴器拆掉),电机开始旋转,大概2分钟左右变频器自动停下来,电机辨识就完成了。
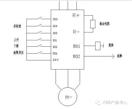
档位设置
19.11= EXT1
20.01= In1F,In2R
20.03= DI1 正转端子
20.04= DI2 反转端子
20.11= 斜坡
22.11= 其他 22.200
22.21= 0位 恒速模式 组合
1位 转向允许 启动方向

22.22= DI3
22.23= DI4
22.24= DI5
22.26= 二档速度
22.28= 三档速度
22.32= 四档速度
22.200= 一档速度
31.11= DI6故障复位
加减速时间设置
23.201= 加速时间
23.202= 减速时间
抱闸、故障继电器设置
10.24= 制动命令 (RO1继电器)
10.27= 故障 (RO2继电器)
制动电阻设置
43.06= 允许无热保护模型
43.09= 制动电阻功率
43.10= 制动电阻阻值
抱闸设置
44.06= 选择
44.09= 抱闸打开转矩
44.13= 2秒 抱闸关闭延时
44.14= 100rpm 抱闸关闭速度
44.200=50%抱闸开启转矩
44.202=Disable
74.01=Disable
编码器设置(在运行都正常的情况下再加入编码器设置)
91.11= FEN-31 (编码器型号)
91.12= 插槽位置
92.01= 编码器1类型
92.02= 模块1
92.10= 脉冲数(1024)
91.10= 刷新
90.41= 编码器1